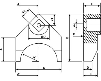
Encosto para Garrafa

 

CÓDIGO
URB0756
URB 0889
URB 0991
Ød
7
7
7,3
A
43
43
51
B
82,5
83
83
C
80
79
67,5
E
21
21
23
F
4
6
5
H
28
29,5
28,5
R
31
32
28